Purpose Of Driver Amplifier . Web usually it's just what you said. Web the main goal of an output amplifier, also called driver amplifier, is to efficiently drive signals into an output load. Web an amplifier can also be considered a driver for loudspeakers, or a voltage regulator that keeps an attached component operating. If you had an amp that needs 100 watts peak drive, and your radio only does 18. They provide initial amplification before the final power amplification stage. Driver amplifiers are intermediary devices that function between a source signal and a power amplifier.
from www.elcircuit.com
If you had an amp that needs 100 watts peak drive, and your radio only does 18. Web an amplifier can also be considered a driver for loudspeakers, or a voltage regulator that keeps an attached component operating. Web the main goal of an output amplifier, also called driver amplifier, is to efficiently drive signals into an output load. Web usually it's just what you said. Driver amplifiers are intermediary devices that function between a source signal and a power amplifier. They provide initial amplification before the final power amplification stage.
1000W Driver Power Amplifier Namec TEF Electronic Circuit
Purpose Of Driver Amplifier Web usually it's just what you said. If you had an amp that needs 100 watts peak drive, and your radio only does 18. They provide initial amplification before the final power amplification stage. Web an amplifier can also be considered a driver for loudspeakers, or a voltage regulator that keeps an attached component operating. Web the main goal of an output amplifier, also called driver amplifier, is to efficiently drive signals into an output load. Web usually it's just what you said. Driver amplifiers are intermediary devices that function between a source signal and a power amplifier.
From www.artofit.org
Class ab power amplifiers Artofit Purpose Of Driver Amplifier Web the main goal of an output amplifier, also called driver amplifier, is to efficiently drive signals into an output load. Web usually it's just what you said. Driver amplifiers are intermediary devices that function between a source signal and a power amplifier. If you had an amp that needs 100 watts peak drive, and your radio only does 18.. Purpose Of Driver Amplifier.
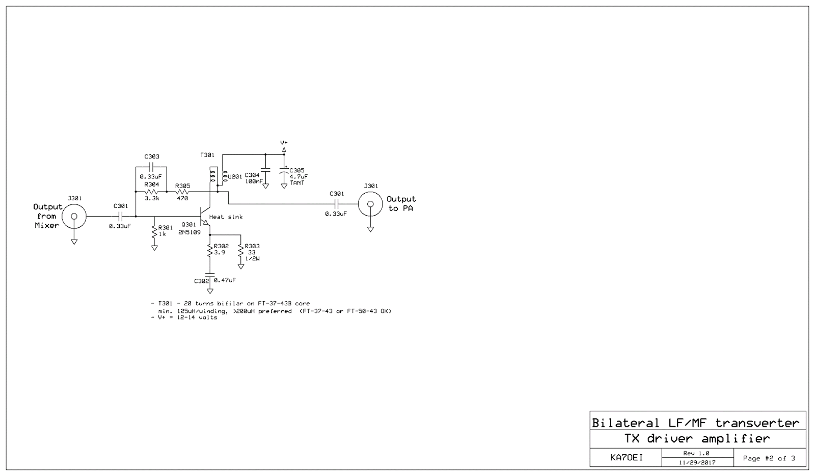
From ka7oei.blogspot.com
KA7OEI's blog A transmit converter (and amplifier) for 630 and 2200 meters Purpose Of Driver Amplifier If you had an amp that needs 100 watts peak drive, and your radio only does 18. They provide initial amplification before the final power amplification stage. Web the main goal of an output amplifier, also called driver amplifier, is to efficiently drive signals into an output load. Web usually it's just what you said. Web an amplifier can also. Purpose Of Driver Amplifier.
From www.lazada.co.id
KIT Driver Amplifier SOCL 506 500W PCB BIASA Lazada Indonesia Purpose Of Driver Amplifier Web an amplifier can also be considered a driver for loudspeakers, or a voltage regulator that keeps an attached component operating. They provide initial amplification before the final power amplification stage. Driver amplifiers are intermediary devices that function between a source signal and a power amplifier. If you had an amp that needs 100 watts peak drive, and your radio. Purpose Of Driver Amplifier.
From beamqlaser.com
Voltage Controlled Constant Current CC Module High Power Current Source Purpose Of Driver Amplifier Web an amplifier can also be considered a driver for loudspeakers, or a voltage regulator that keeps an attached component operating. Driver amplifiers are intermediary devices that function between a source signal and a power amplifier. Web the main goal of an output amplifier, also called driver amplifier, is to efficiently drive signals into an output load. If you had. Purpose Of Driver Amplifier.
From www.eleccircuit.com
100w amplifier circuit with PCB Purpose Of Driver Amplifier Web an amplifier can also be considered a driver for loudspeakers, or a voltage regulator that keeps an attached component operating. Driver amplifiers are intermediary devices that function between a source signal and a power amplifier. Web the main goal of an output amplifier, also called driver amplifier, is to efficiently drive signals into an output load. If you had. Purpose Of Driver Amplifier.
From circuitsstream.blogspot.com
5W Audio Amplifier With Ac Power Supply Electronic Circuit Diagrams Purpose Of Driver Amplifier Driver amplifiers are intermediary devices that function between a source signal and a power amplifier. If you had an amp that needs 100 watts peak drive, and your radio only does 18. Web an amplifier can also be considered a driver for loudspeakers, or a voltage regulator that keeps an attached component operating. Web the main goal of an output. Purpose Of Driver Amplifier.
From amplifiercircuit.net
Audio Amplifier Archives Amplifier Circuit Design Purpose Of Driver Amplifier They provide initial amplification before the final power amplification stage. If you had an amp that needs 100 watts peak drive, and your radio only does 18. Driver amplifiers are intermediary devices that function between a source signal and a power amplifier. Web usually it's just what you said. Web an amplifier can also be considered a driver for loudspeakers,. Purpose Of Driver Amplifier.
From shopee.co.id
Jual Kit power driver amplifier stereo 2x400w ( 372 ) Shopee Indonesia Purpose Of Driver Amplifier Web the main goal of an output amplifier, also called driver amplifier, is to efficiently drive signals into an output load. If you had an amp that needs 100 watts peak drive, and your radio only does 18. Web an amplifier can also be considered a driver for loudspeakers, or a voltage regulator that keeps an attached component operating. Driver. Purpose Of Driver Amplifier.
From skemayohan.com
SKEMA DRIVER 900 WATT SAMSON 910 AUDIO SCHEMATICS COLLECTIONAUDIO Purpose Of Driver Amplifier Web usually it's just what you said. If you had an amp that needs 100 watts peak drive, and your radio only does 18. Web the main goal of an output amplifier, also called driver amplifier, is to efficiently drive signals into an output load. Web an amplifier can also be considered a driver for loudspeakers, or a voltage regulator. Purpose Of Driver Amplifier.
From wiringdiagramerik.z13.web.core.windows.net
Amplifier Driver Board Circuit Diagram Purpose Of Driver Amplifier They provide initial amplification before the final power amplification stage. Web the main goal of an output amplifier, also called driver amplifier, is to efficiently drive signals into an output load. Web an amplifier can also be considered a driver for loudspeakers, or a voltage regulator that keeps an attached component operating. Web usually it's just what you said. Driver. Purpose Of Driver Amplifier.
From www.researchgate.net
Simulated Sparameters of the driver amplifier. Download Scientific Purpose Of Driver Amplifier Web the main goal of an output amplifier, also called driver amplifier, is to efficiently drive signals into an output load. Web an amplifier can also be considered a driver for loudspeakers, or a voltage regulator that keeps an attached component operating. Web usually it's just what you said. Driver amplifiers are intermediary devices that function between a source signal. Purpose Of Driver Amplifier.
From info.uru.ac.th
Driver Amplifier 12 Volt info.uru.ac.th Purpose Of Driver Amplifier They provide initial amplification before the final power amplification stage. Driver amplifiers are intermediary devices that function between a source signal and a power amplifier. Web an amplifier can also be considered a driver for loudspeakers, or a voltage regulator that keeps an attached component operating. Web usually it's just what you said. Web the main goal of an output. Purpose Of Driver Amplifier.
From techmarky.com
AMPLIFIER Adalah Pengertian, Jenis, Fungsi dan Komponennya Purpose Of Driver Amplifier If you had an amp that needs 100 watts peak drive, and your radio only does 18. Driver amplifiers are intermediary devices that function between a source signal and a power amplifier. Web usually it's just what you said. Web an amplifier can also be considered a driver for loudspeakers, or a voltage regulator that keeps an attached component operating.. Purpose Of Driver Amplifier.
From www.aliexpress.com
GHXAMPTDA7250HiFiDriverDarlingtonHighPowerMusicAmplifierBoard Purpose Of Driver Amplifier Web the main goal of an output amplifier, also called driver amplifier, is to efficiently drive signals into an output load. Driver amplifiers are intermediary devices that function between a source signal and a power amplifier. Web usually it's just what you said. Web an amplifier can also be considered a driver for loudspeakers, or a voltage regulator that keeps. Purpose Of Driver Amplifier.
From rx-electronics.en.made-in-china.com
2sc1815 Silicon NPN Transistor to92 Audio Frequency General Purpose Purpose Of Driver Amplifier If you had an amp that needs 100 watts peak drive, and your radio only does 18. Web an amplifier can also be considered a driver for loudspeakers, or a voltage regulator that keeps an attached component operating. Driver amplifiers are intermediary devices that function between a source signal and a power amplifier. Web usually it's just what you said.. Purpose Of Driver Amplifier.
From www.datasheet.hk
2SA1015_5974.PDF Datasheet Download Purpose Of Driver Amplifier They provide initial amplification before the final power amplification stage. If you had an amp that needs 100 watts peak drive, and your radio only does 18. Web an amplifier can also be considered a driver for loudspeakers, or a voltage regulator that keeps an attached component operating. Web usually it's just what you said. Driver amplifiers are intermediary devices. Purpose Of Driver Amplifier.
From www.semanticscholar.org
Figure 6 from Design of a Broadband MMIC Driver Amplifier with Enhanced Purpose Of Driver Amplifier They provide initial amplification before the final power amplification stage. Web usually it's just what you said. Web an amplifier can also be considered a driver for loudspeakers, or a voltage regulator that keeps an attached component operating. If you had an amp that needs 100 watts peak drive, and your radio only does 18. Web the main goal of. Purpose Of Driver Amplifier.
From www.youtube.com
circuit diagram driver amplifier. YouTube Purpose Of Driver Amplifier Driver amplifiers are intermediary devices that function between a source signal and a power amplifier. They provide initial amplification before the final power amplification stage. Web the main goal of an output amplifier, also called driver amplifier, is to efficiently drive signals into an output load. If you had an amp that needs 100 watts peak drive, and your radio. Purpose Of Driver Amplifier.